Product categories
►Resolution : 240×400
►View Direction: IPS
►Interface: RGB/SPI/MCU
►Driver IC: ILI9327
►RTP/CTP: RTP/CTP
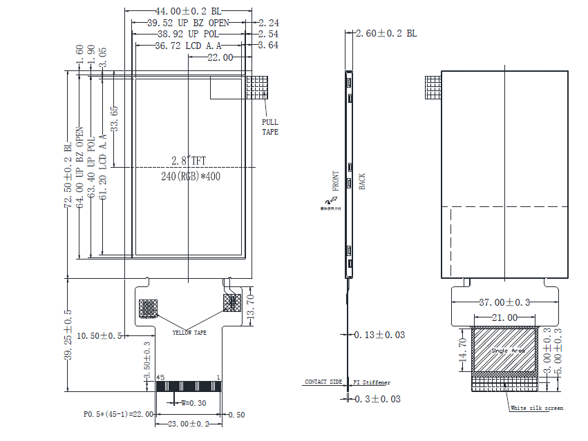
►Outline Dimension:44.00W)*72.5(H) * 2.60(T)mm
Description
| Model No.: | SHC280BTBF |
| Screen Diagonal | 2.8 inch |
| LCM Dimension(mm) | 44.00W)*72.5(H) * 2.60(T) |
| Active area (W*H):mm | 36.72(H)*61.2(V) |
| Resolution | 240(RGB)*400 |
| Driver IC | ILI9327 |
| Viewing Direction | all |
| Interface Type | 8/9/16/18/24 BIT MCU 3/4-line SPI+16/18/24 BIT RGB 3-line/4-line Serial Interface |
| Display Mode | TransFlective |
| Backlight Type | WHITE LED |
| Operating temperature | -20ºC~+70ºC |
Drawing:
Note:
The lcd display pictures and text parameters in the above pages are only for illustration. Smart Company will provide accurate information as much as possible. The tft display pictures published on this site may be slightly different from the actual lcd display. Please refer to the actual tft display and the detailed specification of the TFT Lcd display screen. The specific model information shall prevail. For specific details, please contact the relevant business personnel. If there is any relevant modification to the above content, no prior notice will be given.
1. Basic specifications
The required TFT Lcd screen size, resolution, communication interface type between motherboard and TFT screen, display viewing angle, touch type selection, external dimensions, structural design, voltage, connection method of FPC cable, or specified Smart model.
2. Drawing Confirmation
According to the needs of communication and verification, as well as standard or customized materials, such as resistive touch or capacitive touch, wiring FPC or backlight, arrange the structural drawings of TFT Lcd display screens to customers for confirmation within 2-3 days.
3. Sample making
The sample delivery time for standardized tft display is 2-3 days. For customized lcd display, samples are made according to the confirmed drawings. Sample production takes time. The sample delivery cycle of Lcd screens is generally 7-12 days. The cycle time is 18-21 days.
4. Sample delivery
After the sample production is completed, it will be inspected according to the sample delivery process, and a series of structural and electrical performance tests, high and low temperature and thermal shock aging tests, vibration tests, salt spray tests, etc. will be arranged according to the quality control procedures, and tests will be carried out according to the requirements of different customers , Provide the actual test report of the tft display to ensure the reliable performance of the tft display.
5. Technical service
After receiving the customer's sample, we will provide the IC driver, the initialization code of the LCD screen, and the technical support will cooperate with the adjustment program to light up.
How do you guarantee the quality?
We have passed SGS,ISO9001, ISO14001 certification. We carry out strict quality control checks and every tft lcd display is 100% inspected by at least 5 inspection positions before entering the warehouse.
Do you have MOQ restrictions? Can I also communicate the price?
There is no strict MOQ limit. Small orders are also welcome! We will give our long-term customers the best price.
If I cooperate with Smart, what can I get?
1. A long-term partner with good price and stable quality.
2. Provide the perfect liquid crystal display solution for your application.
3. One to one sales service and perfect after-sales service.
Are you the manufacturer?
We have 3 fully automatic production lines with a monthly capacity of 500K-600K/PCS.
Do you offer customized solutions and what is the customization process?
Yes. More than 90% of our business is custom projects and our process is as follows.
1. 1-2 days for evaluation and quotation.
2. Send you our design (drawing) for your approval within 2 days.
3. According to your custom requirements, send you samples for your approval for 1-2 weeks.
4. Customize new orders for 3-4 weeks.
5. Repeat orders for 3-4 weeks.
What's your after sales service?
We offer a 12-month warranty. If there is a problem, we will analyze the sample and provide a short - and long-term solution report. If it is our tft display, we will replace it.
What size LCD do you offer?
We mainly provide small and medium size displays from 1.3 "to 10.1" for industrial, medical, smart home, applications.
Can we appoint an agent?
We already have agents in some areas and we are looking for more agents in some areas.








